Panca semplice INOX
Panca in acciaio INOX AISI 304 su piedini senza portascarpe
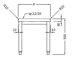
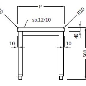
Panca centrale Struttura in tubo di acciaio inox AISI 304 mm40×40 sp. 10/10 interamente saldata. Piano di seduta in AISI 304 sp. 12/10 con rinforzo interno e tamponamento sottopiano in acciaio inox. Lati lunghi raggiati R10. Piedini di livellamento.
Descrizione
- Acciaio inox AISI 304
- Senza portascapre
- Piedini


